Kratos Microwave Electronics Division (KMED)

Full Line Product Catalog

Models E9130H and E9130HT Economical Hermetically Sealed High Speed SP3T Switch

Application Notes for RF Switches
The Model E9130H is a hermetically sealed, low cost high speed, SP3T PIN diode switch with integrated driver. The switch can be used as a drop-in module. The switch operates over the instantaneous frequency range of 1 to 18 GHz. The Model E9130HT is a non-relective version of this switch.
  • Low cost
  • Frequency range: 1 to 18 GHz
  • High speed: 10nsec rise fall times
  • Reflective and non-reflective models
  • High Performance
  • Improve in-band video leakage
  • Hermetically sealed
  • Low profile
  • Drop-in
Hermetically Sealed High-Speed SP3T Switch Model E9130H 
  FREQUENCY (GHz)
MODEL NO. CHARACTERISTIC 1—4 4—8 8—12.4 12.4—18
E9130H
Min. Isolation (dB)
Max. Insertion Loss (dB)
Max. VSWR (ON)
60
1.2
1.75
60
1.5
1.75
60
2.0
1.75
50
2.6
2.0
E9130HT
Min. Isolation (dB)
Max. Insertion Loss (dB)
Max. VSWR On
Max. VSWR Port Off
60
1.6
1.75
1.75
60
1.8
1.9
2.0
60
2.5
2.0
2.2
50
3.3
2.0
2.3


Power Supply Requirements
Standard Switch With Option 11 With Option 62
MODEL NO. +5V ±5% -12V ±5% +5v ±5% -5V ±5% +5V ±5% -15V ±5%
E9130H 110 mA max 65 mA max 110 mA max 65 mA max 110 mA max 65 mA max
E9130HT 110 mA max 65 mA max 110 mA max 65 mA max 110 mA max 65 mA max

Switching Characteristics
   Rise Time.................................... 10 nsec max.
   Fall Time..................................... 10 nsec max.
   ON Time...................................... 25 nsec max.
   OFF Time..................................... 20 nsec max.
   Max. Repetition Rate................... 20 MHz.
Power Handling Capability
   Without Performance Degradation
      Reflective Swtiches.................. 200 mW cw or peak
      Non-Reflective Switches  
         Input to OFF port.................. 100 mW cw or peak
         Input to ON port................... 200 mW cw or peak
         Input to COMMON port........ 200 mW cw or peak
  Survival Power:
     Reflective Switches.................... 1W average, 75W peak. (1µsec max. pulse width)
     Non-Reflective Switches
        Input to OFF port................... 1W average, 10W peak (1 µsec max. pulse width)
        Input to ON............................. 1W average, 75W peak (1 µsec max. pulse width)
        Input to COMMON port......... 1W average, 75W peak (1 µsec max. pulse width) 
Control Characteristics
   Control Input Impedance............ TTL, 1-unit load
   Control Logic
      Logic "0".................................... (max. VIL = 0.8V) for switch ON
      Logic "1".................................... (min. VIH = 2V) for switch OFF

 

 

ENVIRONMENTAL RATING - OPTION G09

Operating Temperature Range.... -54°C to +95°C.
Humidity....................................... MIL-STD-202G, Method 103B, Condition B (96 hours at 95%).
Shock............................................ MIL-STD-202G, Method 213B, Condition A (50G, 11 msec).
Vibration....................................... MIL-STD-202G, Method 204D, Condition B (0.06” double amplitude or 15G).
Altitude......................................... MIL-STD-202G, Method 105C, Condition B (50,000 ft.).
Temperature Cycling.................... MIL-STD-202F, Method 107D, Condition A (5 cycles).

 

 

 

 

 

 

 

 

 

AVAILAVBLE OPTIONS
(Consult factory before ordering)
Option No.       Description
7       SMA male RF connectors all ports
9       Inverse control logic; logic "1" for switch ON and logic "0" for switch OFF
11       +5V, -5V operation
43(1)        Internal video filter, all ports
49        High Reliability Screening per the following Table 1
62        +5, -15V operation
G09         Guaranted to meet Environmental Ratings

 

NOTE
(1) See Video Filter Options on Switches

 



Table 1. Option 49 High Rel Screening - MIL - STD 883

TEST METHOD CONDITION
Internal Visual 2017
Temperature Cycle 1010 A
Mechanical Shock 2002 B
Burn-In 1015
Leak 1014 A1

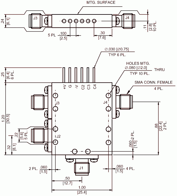
DIMENSIONS AND WEIGHT

Model E9130H/HT
Dimensions and Weight for Hermetically Sealed SP3T Switches
Wt.: 0.70 oz. (20 gm) approx.
Dimensions in  mm (Inches) Tolerances, unless otherwise indicated: .XX ±.02; .XXX ±.005

 
 


The information contained in this data sheet is basic marketing information and does not contain any export controlled information.